后锚固在我国建筑工程领域,特别是既有建筑改造加固、幕墙、墙体节能工程等方面具有良好的发展前景。它区别于传统预埋的施工方法最主要的一点,就是钢筋的锚固是在混凝土已经浇筑完成的情况下进行。后锚固技术是现在加固行业用的比较多的加固方法,常用的后锚固技术有化学植筋、化学锚栓、扩底型机械锚栓,膨胀锚栓等。

化学植筋
化学植筋,简称植筋,是我国工程界广泛应用的一种后锚固连接技术。将带肋钢筋及螺杆胶结固定于混凝土基材钻孔中,通过粘结与锁键作用,实现对被连接件锚固的一种组件,安全等级为一级的后锚固连接植筋时应采用A级胶。
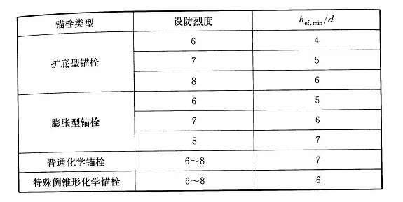
化学植筋锚固基理与粘结型锚栓相同,但化学植筋及螺杆由于长度不受限制,与现浇混凝土钢筋锚固相似,破坏形态易于控制,一般均可以控制为锚筋钢材破坏,故适用于静力及抗震设防烈度≤8度的结构构件及非结构构件的锚固连接。
化学锚栓
化学锚栓是指由金属螺杆和锚固胶组成,通过锚固胶形成锚固作用的锚栓?;ò凑掌涫视梅段Э煞治街郑菏视糜诳鸦炷梁筒豢鸦炷恋幕笆视糜诓豢鸦炷恋幕ā?/span>
按照受力机理可分为两种:普通化学锚栓和特殊倒锥形化学锚栓。特殊倒锥形化学锚栓,在安装时通过锚固胶与倒锥形螺杆之间滑移可形成类似于机械锚栓的膨胀力。
施邦特殊倒锥形化学锚栓
扩底型机械锚栓
承重结构用的机械锚栓,应采用有锁键效应的后扩底锚栓。通过锚孔底部扩孔与锚栓组件之间的锁键形成锚固作用的锚栓。

施邦后扩底机械锚栓
膨胀螺栓
膨胀螺栓,膨胀螺栓上包一个圈筒,这个圈筒上是有缝隙的,用时在墙上打一个洞。把膨胀螺栓放到这个洞里,在拧紧螺栓时圈筒被挤压撑开。这样使螺栓卡在洞里,起到固定的作用。

膨胀螺栓在使用过程中,对混凝土会产生应力集中现象,从而使得破坏机率大大增加,结构不安全。因此,膨胀螺栓不能运用于开裂混凝土,所以现在基本上已经在幕墙等设计中被禁止使用。
(1)植筋必须是全螺杆或者带肋钢筋,利用胶粘剂的粘结力实现受力,形成锚固作用;

(2)锚栓允许有光面螺杆,利用机械锁键力进行受力;


1—螺杆;2—膨胀套筒;3—膨胀锥头;4—直孔;5—扩孔;6—刀头
(3)膨胀锚栓主要靠膨胀管的张开与砼产生摩擦力来抗拔的。

(1)植筋的锚固深度利用计算公式算出后一般都大于15d;(2)锚栓的锚固深度要小于10d;
(3)膨胀螺栓的深度主要是根据混凝土强度和膨胀螺栓规格进行确定。

后锚固连接设计,应根据被连接结构类型、锚固连接受力性质及锚栓类型的不同,对其破坏模式进行控制。受拉、边缘受剪、拉剪复合受力的结构构件及生命线工程非结构构件的锚固连接,应控制为锚栓或植筋的钢材破坏;膨胀型锚栓及扩底型锚栓锚固连接,不应发生整体拔出破坏或锚杆穿出破坏;植筋连接,不应发生混凝土基材破坏及沿胶筋界面和胶混界面的破坏。通常情况下植筋的破坏形式只有钢筋破坏一种,而锚栓允许的破坏形式有:锚栓钢材破坏和混凝土锥体破坏。

化学植筋的适用于钢筋混凝土承重结构和砌体承重结构构件的锚固,锚栓主要应用于普通混凝土承重结构和非结构构件的后锚固连接,承重结构中不可使用膨胀锚栓来固定,必须使用扩底锚栓或者倒锥型锚栓?;е步羁梢宰魑略龈止辜拿碳谴罅坑τ玫氖切略龌炷凉辜蚶┐蠼孛婊炷凉辜母纸钌?;锚栓只能作为被连接钢构件的连接件等。锚栓用于结构构件连接时的适用范围如下:

在《混凝土结构加固设计规范》GB50367-2013中,对于植筋的间距与边距没有要求,只是在构造上做出规定,而锚栓不但有最小间距和最小边距的要求,而且还要考虑群锚的作用。
植筋与化学锚栓因为采用的化学原料,所以相对熔点较低,耐高温能力明显要弱于使用金属材料熔点高的机械锚栓,而且机械锚栓因具有可焊接性,因此使用的灵活度较大。
因为植筋与化学锚栓均采用化学材料固化,因此需要一段固化时间,尤其是冬季低温环境下,固化时间会更长,造成了施工期的延长,而机械锚栓、膨胀螺栓则是即装即用,无需等待,而且施工时和温度环境无关,因此施工期快了很多。
总结
后锚固相对于传统的预埋锚固,具有施工简便、操作灵活的优点。有时锚固方法的选择直接影响锚固施工质量的好坏,锚固材料的选用除考虑材质本身性能差异外,尚应考虑基材性状、锚固连接的受力性质(拉、压、中心受剪、边缘受剪)、被连接结构类型(结构构件、非结构构件)、有无抗震设防要求等因素的综合影响。

最初后锚固仅限于对原有建筑物的加固处理,随着建筑业的迅猛发展、新建工程的种类日益丰富、加固以及改造工程的逐日增多,常规的预埋钢筋方式已经无法满足人们的需求,后锚固工艺的出现也就显得尤为重要。未来的后锚固适用性必将不断提高,在工程领域中起到越来越大的作用。